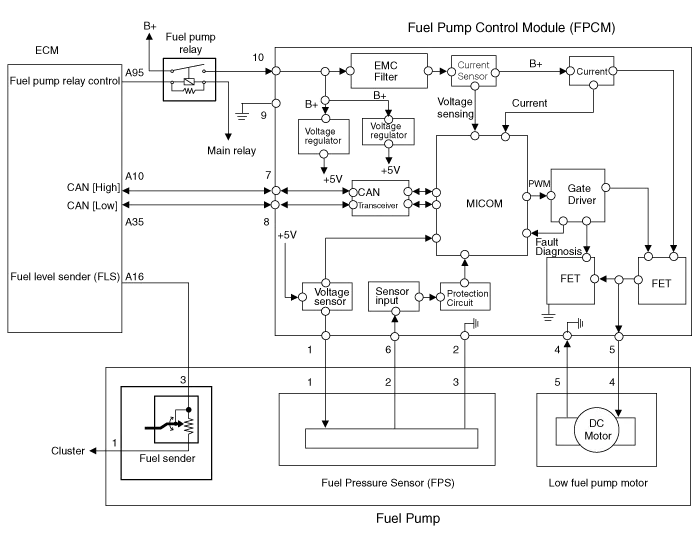
| Circuit Diagram |

| Fuel Pressure Control Module (FPCM) Terminal And Input/Output signal |

| Pin No. | Description | Connected to |
| 1 | Fuel pressure sensor (FPS) power supply (+5V) | Fuel Pressure Sensor (FPS) |
| 2 | Fuel Pressure Sensor (FPS) Ground (-) | Fuel Pressure Sensor (FPS) |
| 3 | - | |
| 4 | Fuel pump DC motor (-) | Fuel Pump Motor |
| 5 | Fuel pump DC motor (+) | Fuel Pump Motor |
| 6 | Fuel pressure sensor (FPS) signal input | Fuel pressure sensor (FPS) |
| 7 | CAN [High] | ECM |
| 8 | CAN [Low] | ECM |
| 9 | Ground | Chassis Ground |
| 10 | Battery power (B+) | Fuel Pump Relay |
Specification ItemsSpecificationApplied Voltate (V)6~18Current Consumption (A)Max. 15Fuel Pressure StartMax. 600 KPa (Max. 6.1 kgf/cm², Max.
Removal 1. Turn the ignition switch OFF and disconnect the battery negative (-) cable. 2. Lift the vehicle. 3. Remove the fuel pump control module mounting bolts (A).
Removal 1. Disconnect the negative (-) battery terminal. 2. Remove the crash pad lower panel. (Refer to Body - "Crash Pad") 3. Disconnect the 6P connector (B) of the coil antenna and then remove the coil antenna (A) after loosening the screw.
Removal 1. Disconnect the negative (-) battery terminal. 2. Remove the rear bumper. (Refer to Body - "Rear Bumper") 3. Remove the BSD unit (A) after loosening the mounting screws. Take care not to separate the bracket from rear bumper when removing the BSD sensor.